 
                                Ceramic reflectors supplied by us work particularly well in Ruby and Nd:YAG laser pumping chambers . Custom High Quality Laser Cavity,Offer single hole flow tubes as well as multi-hole flow tubes used as cavity filters in lamp pumped lasers.

Solid-state lasers include all optically pumped lasers in which the gain medium is a solid at room temperature.
  
  Customer requirements will differ dependant upon the type of laser, laser rod, source radiation (and source power) being employed and the particular end use of the laser. All, however, require a high reflectance material to form the pumping chamber cavity surrounding the laser rod and lamp. The efficiency in transfer of radiation from the source to the laser rod (referred to as optical coupling) determines to a large extent the overall efficiency of the laser system. The cavity walls must therefore have a high reflectivity at the absorption bands of the laser material.
Ceramic reflectors supplied by us work particularly well in Ruby and Nd:YAG laser pumping chambers and can be a highly cost effective alternative to metal coated reflectors. They are also used extensively as reflectors in housings for high intensity lamps.
resists chemical attack
has high strength
has a high reflectivity over a broad wavelength band
has good thermal conductivity and
excellent dimensional and electrical stability at all operating temperatures.
Independent tests on our alumina have shown reflectance figures in excess of 96% (typically 97-98%) over the 500 nm to 2000 nm wavelengths. The material provides a highly diffuse reflectance, behaving as a bulk reflector of the source radiation by both reflecting and refracting light back into the cavity.
Pump radiation that has a longer wavelength than the stimulated emission does not contribute to the laser output but does heat up the laser crystal, which causes optical distortions affecting the quality of the laser output. For this reason cavities are therefore often water or liquid cooled and so need to be able to withstand the erosive action of the fluid, absorb the generated heat and remain dimensionally stable.

Our reflectors can be glazed both inside the cavity and around the outer edges using a highly reflective glaze that seals the ceramic against ingress of cooling fluids that may alter the refractive index, introduce impurities and reduce reflectance and efficiencies. Glazes can also act as filters andouryellow glazed reflectors have been used successfully in certain applications. The visible yellow colour is complementary to the spectral colours violet and indigo and effectively absorbs these wavelengths up to around 450 nm.
Properties of Ceramics
A porous alumina ceramic of 99.7% Al2O3content, used extensively for long-life laser reflectors. This material is sintered at high temperatures to achieve a controlled porosity.
Prime features
Surfaces can be sealed and coated with a solarization-resistant glaze to give high bulk reflectivity
97.8% reflectance efficiency at 1000nm
Reflectance efficiency exceeds 96% across the wavelength range 500-2000nm(see curve)
Controlled porosity
Good thermal conductivity
High electrical resistivity
Typical applications
Pumping chambers for Nd:YAG lasers — low to high power, single or multiple lamp designs. Pumping chamber reflectors of this material are virtually indestructible, and prove a highly cost effective alternative to metal coated types.
Production capabilities
Components up to250mmlong and80mmwide/diameter manufactured as standard
Larger components manufactured to development contracts
One-piece or split-cavity designs
Prototype, batch and volume production
Physical properties
Color: White
Bulk density (fired), Mg/m3 : 3.2
Porosity (apparent), % nominal: 20
Flexural strength (ASTM C1161, 3-point), MPa: 150
Thermal expansion coefficient 200-500C, 10-6/C: 7.9 200-1000C, 10-6/C:9.0
BAB– the external shape is round;
ZAB– the external shape is irregular
LAK– the external shape is rectangular but one side is concave;
EAB- the external shape is rectangular
GAZ- the external shape is triangular
| Model | Length | Distance* | Hole height | Hole length | Remark | 
|---|---|---|---|---|---|
| ZAB-S04-30 | 30 | 6 | 8 | 12 | Rectangle + circular | 
| ZAB-S05-30 | 30 | 7.62 | 8 | 12 | Rectangle + circular | 
| ZAB-S03 | 45 | 6 | 16 | Rectangle + circular | |
| ZAB-S04-50 | 50 | 6 | 8 | 12 | Rectangle + circular | 
| ZAB-S05-50 | 50 | 7.62 | 8 | 12 | Rectangle + circular | 
| ZAB-S01 | 59.5 | 8 | 17 | Rectangle + circular | |
| ZAB-S02 | 60 | 9 | 30 | Rectangle + circular | |
| ZAB205 | 77 | 11 | 11 | 22 | Rectangle, single lamp & single rod | 
| ZAB198 | 115 | 26 | 16 | Rectangle, single lamp & single rod | |
| ZAB146 (TCT142D) | 142 | 27 | 39 | Rectangle, dual-lamp & single rod | |
| LAK396 | 70 | 12 | 21 | Elliptic, single lamp & single rod | |
| LAK046 | 94 | 9 | Rectangle, single lamp & single rod | ||
| LAK396-100 | 100 | 12 | 21 | Elliptic, single lamp & single rod | |
| LAK396-120 | 120 | 12 | 21 | Elliptic, single lamp & single rod | |
| LAK396-140 | 140 | 12 | 21 | Elliptic, single lamp & single rod | |
| LAK311 | 145 | 32 | Rectangle, dual-lamp & single rod | ||
| LAK396-150 | 150 | 12 | 21 | Elliptic, single lamp & single rod | |
| LAK331 | 160.5 | 27.5 | Rectangle, dual-lamp & single rod | ||
| LAK391 | 186 | 32 | Rectangle, dual-lamp & single rod | ||
| BAB259 | 64 | 8.5 | 8 | 16.5 | Cylinder, single lamp & single rod | 
| BAB373 | 71.5 | Elliptic, single lamp & single rod | |||
| BAB-S06-89 | 89 | 10 | 9.3 | 19.3 | Cylinder, single lamp & single rod | 
| BAB-S04 | 92 | Elliptic, single lamp & single rod | |||
| BAB192 (TCT97, BAB349) | 97 | 12 | 22 | Cylinder, single lamp & single rod | |
| BAB311 | 97 | 12.7 | 15 | 27.7 | Cylinder, single lamp & single rod | 
| BAB275 | 100 | 14.4 | 28.4 | Cylinder, single lamp & single rod | |
| BAB283 | 100 | 17 | 32 | Cylinder, single lamp & single rod | |
| BAB299 | 100 | 17 | 45 | Elliptic, single lamp & single rod | |
| BAB281 | 100 | 18 | 34 | Cylinder, single lamp & single rod | |
| BAB228 | 115 | 12 | 22 | Cylinder, single lamp & single rod | |
| BAB330 (TCT117) | 117 | 12 | 22 | Cylinder, single lamp & single rod | |
| BAB275-120 | 120 | 14.4 | 28.4 | Cylinder, single lamp & single rod | |
| BAB399 | 120 | 16 | 43 | Cylinder, single lamp & single rod | |
| BAB350 | 130 | 17 | 45 | Elliptic, dual lamp & single rod | |
| BAB492 | 150 | 17 | 45 | Elliptic, dual lamp & single rod | |
| BAB496 | 160 | 17 | 45 | Elliptic, dual lamp & single rod | |
| BAB497 | 170 | 17 | 45 | Elliptic, dual lamp & single rod | 
Remark: 1) unit: mm; 2) Distance means the distance between lamp and rod in sing-lamp configuration and the distance between two lamps in dual-lamp configuration.
Description of part number: CRDP-XX-YY-Z-AAA-BBB
CRDP: ceramic reflector for diode-pumped solid-state laser
XX – internal diameter of the reflector in mm.
YY - reflector length in mm.
Z – number of the diodes to be placed around the laser rod.
AAA – related to the cross section of the reflector such as TRI (triangle shape), CRL (round shape), PLT (plate shape)
BBB – variant for remarks
| Model | Internal Dia. (mm) | Length (mm) | Remark | 
|---|---|---|---|
| CRDP-12-25-3-PLT | 12 | 25 | Suitable for diode side-pumped solid-state lasers, 3 group diode bars placed around the YAG rod | 
| CRDP-12-65-3-PLT | 12 | 65 | Suitable for diode side-pumped solid-state lasers, 3 group diode bars placed around the YAG rod | 
| CRDP-12-115-3-PLT | 12 | 115 | Suitable for diode side-pumped solid-state lasers, 3 group diode bars placed around the YAG rod | 
| CRDP-6.07-32.26-3-TRI | 6.07 | 32.26 | Triangle, offering FF to give better strength, reflectance would be 95/96%.Suitable for diode side-pumped solid-state lasers, 3 group diode bars placed around the YAG rod | 
| CRDP-12.2-67-3-TRI | 12.2 | 67 | Triangle, FF,3 group diode bars placed around the YAG rod | 
| CRDP-12.2-76.3-5-CRL | 12.2 | 76.3 | Circle reflector, suitablefor diode side-pumped solid-state lasers, 5 group diode bars placed around the YAG rod | 
Description of part number: CRIPL-XX-YY-BBB
CRIPL: ceramic reflector for beauty and IPL applications
XX – internal diameters or angler of the reflector in mm/degree
YY - reflector length in mm.
BBB – variant for remarks
| Model | Internal radius/angle (mm/degree) | Length (mm) | Remark | 
|---|---|---|---|
| CRIPL-4.27/3.28-48/60 | 4.27-3.28 | 48 to 60 | EAB-074, tear shape reflector | 
| CRIPL-23-46 | 23046’ | 46 | LAK-404, glazed, taped ends, 5 holes | 
| CRIPL-19-48-5 | 19052’ | 48 | LAK-409, unglazed, with 5 holes | 
| CRIPL-19-48-5G | 19052’ | 48 | LAK283, glazed, with 5 holes | 
| CRIPL-19-48-3 | 19052’ | 48 | LAK306, unglazed, with 3 holes | 
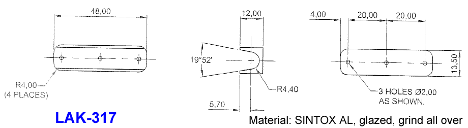
| CRIPL-19-48-3G | 19052’ | 48 | LAK317, glazed, with 3 holes | 
As far as the IPL parts are concerned, there are many “variation on the same theme” in order words the angle may beslightlydifferent, length could vary and some parts have no holes, others have several holes. Parts could also be glazed or un-glazed. We can make any parts and we could adapt the drawings to customer’s requirements’.
STG series Ceramic reflectors are made by 99% Al2O3 and were fired at a proper temperature to retain the porosity and strength. The surface of the ceramic reflectors had adopted the technology of fully coating of high reflectivity ceramic glaze. And the reflector is diffuse reflection. To comparing with the gold-coating reflectors, the biggest advantage of the ceramic reflectors is in its extremely long life time. It’s a good solution for a part of the pump chamber which used on medical industrial laser welding for the low cost and high efficiency.

Main features:
Surface full glaze for maximum reflectivity and easy cleaning
The reflectivity reaches 97% at the wavelength of 600-1000nm
Reflectivity over 95% in the 400-1200nm spectrum
The green body has proper porous and high strength properties
Main physical properties:
Color: white
Density: 3.1g/cm3 A kind of
Porosity: 22%
Bending strength: 170Mpa
Coefficient of thermal expansion: 7.9×10-6/С (200~500℃), 9×10-6/С (200~1000℃)
Spectrum testing chart

Following is our existing models which are already used.
STG-BAB – the external shape is round;
STG-ZAB – the external shape is irregular
STG-LAK – the external shape is rectangular but one side is concave;
STG-EAB - the external shape is rectangular
STG-GAZ - the external shape is triangular

| Model | Length | Distance | Hole height | Hole length | Remark | 
| STG-ZAB-N100 | 99.9 | 19 | 12.8 | 33.5 | Rectangle, circular ends (hole | 
| STG-ZAB-100-16-32 | 100 | 16 | 32 | Rectangle, circular ends (hole) | |
| STG-LAK-49 | 49 | 10.2 | 12 | Rectangular, concave | |
| STG-LAK-51.6 | 51.6 | 12.6 | Hole’s centre height 10.5mm, Rectangular, concave | ||
| STG-LAK-51.6-2 | 51.6 | 10 | Hole’s centre height 10mm, Rectangular, concave | ||
| STG-LAK-51.6-3 | 51.6 | 12 | Hole’s centre height 9mm, Rectangular, concave | ||
| STG-LAK-51.6-4 | 51.6 | 15 | Hole’s centre height 11.5mm, Rectangular, concave | ||
| STG-BAB-97 (=TCT-97, BAB192) | 97 | 12 | 22 | Cylinder, single lamp & single rod | |
| STG-BAB-98 | 98 | 14 | 25 | Cylinder, single lamp & single rod | |
| STG-BAB-117 (=TCT-117, BAB330) | 117 | 12 | 22 | Cylinder, single lamp & single rod | |
| STG-BAB-137 | 137.5 | 17.5 | 30 | Cylinder, single lamp & single rod | 

Offer single hole flow tubes as well as multi-hole flow tubes used as cavity filters in lamp pumped lasers.
We can customize the reflectors according to the drawings which are supplied by the customers.

Material:
Quartz glass
fused silica
Cerium doped quartz
Europium Doped Quartz
Titanium doped quartz
Samarium doped quartz glass
Dimension: As requested
Tolerance: +/-0.1mm
Surface Accuracy: As requested
Surface Quality: 60/40
Clear Aperature: 95%
Coating: Optional


Features
The laser cavity (condensing cavity) is mainly used for lasers, with the wide application of laser technology, the cavity style has also undergone various changes.
Compared with ceramic concentrating cavity and resin concentrating cavity, quartz material is corrosion-resistant, not easy to be damaged, easy to clean, and has a long working life. The laser cavity made of quartz glass as raw material, which enables the laser to run stably and reliably for a long time.

Ordering Information/ Product Code
STV-ZAB–45-2
Description of part number: STV-XXX-YY-Z
STV: STV Series
XXX:BAB/ZAB/LAK/EAB/GAZ
BAB – the external shape is round
ZAB – the external shape is irregular
LAK – the external shape is rectangular but one side is concave
EAB - the external shape is rectangular
GAZ - the external shape is triangular
YY – reflector length in mm
Z – number of holes
We can customize the reflectors according to the drawings which are supplied by the customers. Please feel free to contact us if you have any specific requirements or applications.
A leading supplier and manufacturer of a wide range of photonics products such as lasers,laser parts & machines.
Office: 10 Bukit Batok Crescent #07-02 The Spire Singapore 658079
Tel: +65 63167112
Fax: +65 63167113
Whatsapp: +65 91904616
